merci à vous
Bon il parait que je suis complétement fada d'avoir attaqué un tel projet de logiciel sans aucunes connaissances dans ce domaine

Et bien n'en déplaise mais j'avance :p
la partie traitement est un sacré morceau. il a fallu prete traité les valeur acquisent afin de les balancer dans une matrice pour les calculs de derivé arctengente etc.. vu que va yavoir les acceleration etc.. et meme le tracé fidele de la came sur le pc ( là si on aime les maths... ). Pour cette partie je me fais aider ... il a fallu utiliser la biblioteque EIGEN et c'est un sacré truc a manipuler.. mais bon les resultats sont bon jusqua présent
Actuellement juste une partie des calculs sont afficher sur l'interface graphique , car je peu pas etre au four et au moulin ...
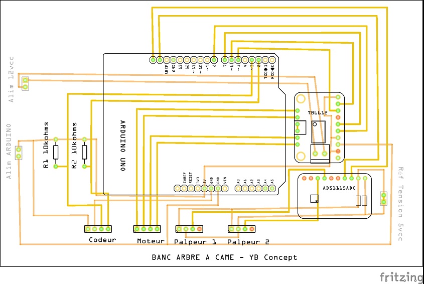
Sinon les PCB sont bien arrivées, c'est quand meme du sacré taf
94785863_3196226770396688_3582025831788052480_n.jpg (30.26 Kio) Vu 10175 fois
94673441_3196226643730034_8617989722104397824_n.jpg (42.98 Kio) Vu 10175 fois
page acquisition.jpg (64.44 Kio) Vu 10175 fois
page traitement 2.jpg (59.99 Kio) Vu 10175 fois
page traitement 3.jpg (195.31 Kio) Vu 10175 fois