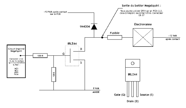
Le système de gestion moteur MegaSquirt-II peut piloter une électrovanne de gestion de pression de suralimentation à 3 voies. Cette fonction ne peut être activée que si vous utilisez un firmware MS2-Extra. Pour câbler le kit en vente dans la boutique de FenixEcu, utilisez le plan de câblage suivant :
Il faut ensuite activer la fonction dans votre logiciel de gestion (TunerStudio MS ou MegaTune) :



Il faut ensuite activer la fonction dans votre logiciel de gestion (TunerStudio MS ou MegaTune) :

- La Fréquence du solénoïde (Solenoid Frequency) est la fréquence de pulsation utilisée pour contrôler le solénoïde. Ce paramètre est à tester jusqu'à ce que vous obteniez le meilleur temps de réponse avec votre électrovanne.
- L'Intervalle de Contrôle (Control Interval) représente la fréquence à laquelle le système MegaSquirt-II relève la pression et ajuste la position de l'électrovannce (en millisecondes)
- La Polarité de la Sortie (Output Polarity) sert à paramétrer l'électrovanne afin quelle fonctionne dans le bon sens. Généralement lorsque la fréquence de commande augmente, la pression augmente.
- Le Gain Proportionnel (Proportional Gain) est un filtre de dureté appliqué sur le capteur MAP.
- Le Gain Différentiel (Differential Gain) interagit avec la réactivité du système aux changements soudains de pression. C'est en quelque sorte un paramètre prédictif. Pour un meilleur résultat ce paramètre devrait être faible. Réglez d'abord le Gain Proportionnel et laissez le Gain Différentiel pour plus tard.


-- OU --


Le plaisir automobile commence à 4000 tours par minute, là ou un moteur diesel s’arrête.
