Support Megasquirt, Tech Edge WBO2, Tuner Pro, AutoSport Labs et Fenixecu 

  • [VOLVO] Projet Megasquirt 850 2.0 20v

  • Vos montages, vos projets, vos remarques, c'est ici ;-)
Vos montages, vos projets, vos remarques, c'est ici ;-)
 #7220  par Paulo les Gaz
 07 janv. 2018 15:51
Bonjour à tous ,

Je suis nouveau dans le milieu des systèmes d'injection programmables mais j'ai à cœur d'élargir mes connaissances et compétences à ce sujet.

J'ai comme projet de monter un calculateur Megasquirt sur ma Volvo 850. C'est un 5 cylindres 2.0 atmosphérique de 143cv.
Le choix du véhicule peut paraitre anodin mais j'aime beaucoup ce moteur, il a du potentiel et est assez accessible financièrement.

J'ai commencé mes recherches mi Décembre et aujourd'hui je m'inscris ici pour répondre aux questions subsistantes et partager mes informations.

J'aimerais dans l'absolu (dites moi si c'est envisageable), conserver au maximum le faisceau d'origine afin de pouvoir remettre les calculateurs d'origine en cas de besoin.

Voici quelques informations sur le véhicule:
Code moteur: B5204S -> Benzine (essence), 5 cylindres, 2.0l, 4 soupapes/cylindre, atmosphérique
Rapport volumétrique: 10:3:1
Puissance: 105 kW – 143 hp
Couple: 176 Nm
Alésage: 81.0 mm
Course: 77.0
Cylindrée: 1.984 l
Ordre d’allumage: 1-2-4-5-3
Injecteurs: 185 cm3/min at 300 kPa
Réglages d’allumage btdc: 10° +- 2° à 800 tr/min +- 50
Bougies: Bosch FR6DC
Contrôle des émissions: Catalyseur 3 voies, sonde lambda
Calculateurs: BOSCH LH 3.2 injection + Bosch EZ129K allumage

D'autres informations concernant les différents capteurs d'origine:
- Allumage via distributeur
- Débitmètre
- Potentiomètre de position angulaire de l’accélérateur
- Sonde lambda en boucle fermée
- Valve de contrôle ralenti
- Capteur de temperature type NTC
- Capteur RPM de type inductif
- Capteur AAC à effet Hall
- Deux capteurs de cliquetis
- Roue dentée 60-2 dents

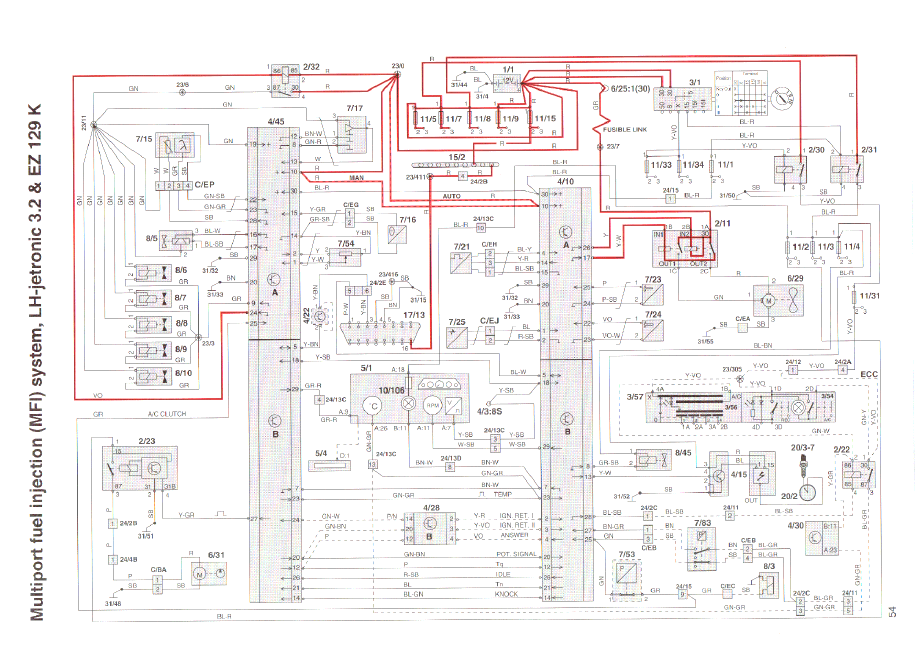
J’ai récupéré un certain nombre de documents d’origine intéressants, notamment des schémas explicatifs et électroniques. Ça m’a permis de réaliser un fichier Excel qui fait correspondre les capteurs/actuateurs d’origine avec les entrées/sorties d’un MS3 pro.

J’ai encore quelques doutes question gestion de l’allumage avec les composants d’origine.

(Les documents sont rédigés en anglais)
1: Schéma simplifié des composants électroniques d'origine
2: Schéma électrique complet de gestion d'origine
3: Correspondance voiture/megasquirt
Volvo_850_2.0_20v_ECU_schematics.png
Volvo_850_2.0_20v_ECU_schematics.png (70.77 Kio) Vu 2426 fois
Volvo_850_2.0_20v_ecu_wiring.png
Volvo_850_2.0_20v_ecu_wiring.png (222.67 Kio) Vu 2428 fois
Volvo_850_2.0_20v_Megasquirt.png
Volvo_850_2.0_20v_Megasquirt.png (81.13 Kio) Vu 2427 fois
J'espère que ce projet intéressera certains d'entre vous et qu'il ira au bout.

Merci d'avance pour l'accueil
 #7223  par Manu
 07 janv. 2018 19:51
Bonsoir et bienvenu,

Pour les 5 cylindres distribués, un MS2 suffit. Le seul truc c'est que tu ne pourras pas utiliser les capteurs cliquetis.

Sportivement,
Manu
 #7225  par Paulo les Gaz
 08 janv. 2018 22:04
Bonsoir,

Merci pour ta réponse.

Concernant le branchement, je pourrai réutiliser le faisceau d'origine directement ? Je pensais trouver deux connecteurs Bosch identiques à ceux des calculateurs pour raccorder le MS directement sur les emplacements d'origine.

J'ai deux questions par rapport au faisceau :
- si j'ai bien compris, d'origine je n'ai qu'un seul in pour les 5 injecteurs et qu'un seul out aussi. Le Megasquirt peut-il gérer de la même façon ou il faut 1 in par injecteur ?
- concernant l'allumage, il me suffit de reprendre le pin 13 de l'EZK B sur le Megasquirt pour le piloter ? Sur DI power stage and ignition coil